工业铝型材装配系统
To proceed to download, enter your personal data.
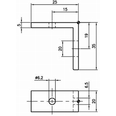
ATTACHMENT BRACKET 35x25x20 (A30-56)
Description
The fixing angle is used to mount additional equipment, panelling, worktops, valves, electrical switchgear, etc. The advantage of these is that they are slotted on one side, allowing fine adjustment.


Product selection
Part Number | Description | A | B | C | E | ø | M | D | S | Txt |
---|---|---|---|---|---|---|---|---|---|---|
A30-56 | ATTACHMENT BRACKET 35x25x20 | 35 | 25 | 20 | 15 | 6,2 | M6 | 19 | 5 | 20x6,5 |