Profil-Verbindungssystem PVS®
Grosses Sortiment an Grundprofilen, geschlossenen Aluprofilen, Leicht- und Schwerprofilen sowie Spezialprofilen. Die Aluminiumprofile sind über alle Baugrössen (20, 30, 40, 45, 50) kompatibel und können auch in den gewünschten Farben eloxiert und pulverbeschichtet werden. Die verschiedenen Verbinder bieten unbegrenzte Konstruktionsmöglichkeiten. Eine Auswahl von über 1'500 Zubehörteilen rundet das umfangreiche Sortiment ab.
Um den Download zu tätigen, geben Sie bitte Ihre persönlichen Daten ein.
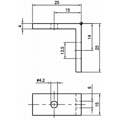
BEFESTIGUNGSWINKEL D=4,2 (B30-54)
Produktbeschreibung
Der Befestigungswinkel dient zur Montage zusätzlicher Apparaturen, Verkleidungen, Tischplatten, Ventile, elektrischer Schalter und vielem mehr. Sein Vorteil liegt darin, dass der einseitig angebrachte Schlitz Massanpassung ermöglicht.


Produktauswahl
Bestellnummer | Bezeichnung | A | B | C | E | ø | M | D | S | Txt |
---|---|---|---|---|---|---|---|---|---|---|
B30-54 | BEFESTIGUNGSWINKEL D=4,2 | 25 | 25 | 15 | 15 | 4,2 | M4 | 14 | 4 | 13,5x6 |