Profil-Verbindungssystem PVS®
Grosses Sortiment an Grundprofilen, geschlossenen Aluprofilen, Leicht- und Schwerprofilen sowie Spezialprofilen. Die Aluminiumprofile sind über alle Baugrössen (20, 30, 40, 45, 50) kompatibel und können auch in den gewünschten Farben eloxiert und pulverbeschichtet werden. Die verschiedenen Verbinder bieten unbegrenzte Konstruktionsmöglichkeiten. Eine Auswahl von über 1'500 Zubehörteilen rundet das umfangreiche Sortiment ab.
Um den Download zu tätigen, geben Sie bitte Ihre persönlichen Daten ein.
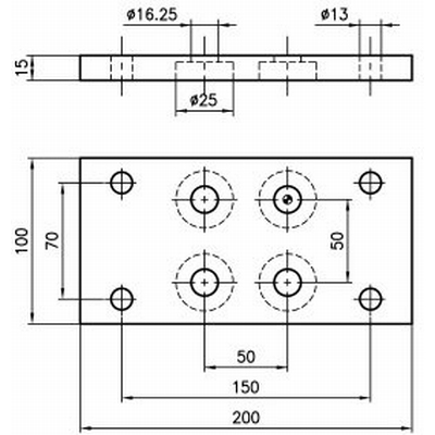
BODENPLATTE 200x100 (A47-80)
Produktbeschreibung
Bei hoch belasteten Anwendungen ist die Standsicherheit der Konstruktionen von entscheidender Bedeutung. Die massive Stahlbodenplatte erfüllt diese Anforderung in jeder Beziehung - und garantiert für hohe Sicherheit.


Produktauswahl
Bestellnummer | Bezeichnung | A | B | C | D |
---|---|---|---|---|---|
A47-80 | BODENPLATTE 200x100 | 200 | 100 | 150 | 70 |