Profil-Verbindungssystem PVS®
Grosses Sortiment an Grundprofilen, geschlossenen Aluprofilen, Leicht- und Schwerprofilen sowie Spezialprofilen. Die Aluminiumprofile sind über alle Baugrössen (20, 30, 40, 45, 50) kompatibel und können auch in den gewünschten Farben eloxiert und pulverbeschichtet werden. Die verschiedenen Verbinder bieten unbegrenzte Konstruktionsmöglichkeiten. Eine Auswahl von über 1'500 Zubehörteilen rundet das umfangreiche Sortiment ab.
Um den Download zu tätigen, geben Sie bitte Ihre persönlichen Daten ein.
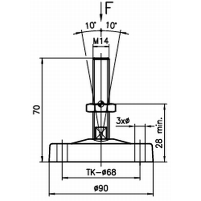
STELLFUSS 90MM, M14x70 (B45-54)
Produktbeschreibung
Die stufenlos höhenverstellbaren Stellfüsse werden in den verschiedensten Anwendungsgebieten eingesetzt. Bodenunebenheiten werden von den beweglich gelagerten Fusstellern ausgeglichen.


Produktauswahl
Bestellnummer | Bezeichnung | F | Ø | MxL |
---|---|---|---|---|
B45-54 | STELLFUSS 90MM, M14x70 | 4000N | 9 | M14x70 |