Profil-Verbindungssystem PVS®
Grosses Sortiment an Grundprofilen, geschlossenen Aluprofilen, Leicht- und Schwerprofilen sowie Spezialprofilen. Die Aluminiumprofile sind über alle Baugrössen (20, 30, 40, 45, 50) kompatibel und können auch in den gewünschten Farben eloxiert und pulverbeschichtet werden. Die verschiedenen Verbinder bieten unbegrenzte Konstruktionsmöglichkeiten. Eine Auswahl von über 1'500 Zubehörteilen rundet das umfangreiche Sortiment ab.
Um den Download zu tätigen, geben Sie bitte Ihre persönlichen Daten ein.
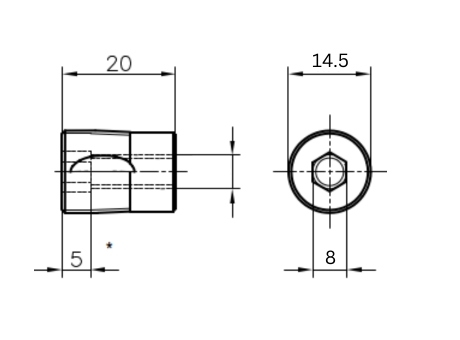
Gewindeeinsatz selbstschneidend Basis 50/45/40 (A33-10)
Produktbeschreibung
Der selbstschneidende Gewindeeinsatz bietet den Vorteil, dass keine Bearbeitung nötig ist, um eine Befestigung von Elementen stirnseitig zu erstellen. In erster Linie sind nur auf Zug beanspruchte Befestigungen optimal. Das heisst, eine Aufnahme von Stellfüssen oder Lenkrollen ist nicht zu empfehlen.


Produktauswahl
Herstellerteilenummer | Bezeichnung |
---|---|
A33-10 | Gewindeeinsatz selbstschneidend Basis 50/45/40 |