Profil-Verbindungssystem PVS®

Grosses Sortiment an Grundprofilen, geschlossenen Aluprofilen, Leicht- und Schwerprofilen sowie Spezialprofilen. Die Aluminiumprofile sind über alle Baugrössen (20, 30, 40, 45, 50) kompatibel und können auch in den gewünschten Farben eloxiert und pulverbeschichtet werden. Die verschiedenen Verbinder bieten unbegrenzte Konstruktionsmöglichkeiten. Eine Auswahl von über 1'500 Zubehörteilen rundet das umfangreiche Sortiment ab.

Um den Download zu tätigen, geben Sie bitte Ihre persönlichen Daten ein.

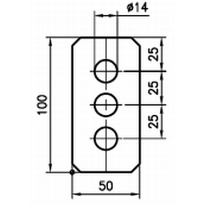
FLACHDICHTUNG ZU ABSCHLUSSPLATTE 50x100 (A80-11)

Referenznummer A80-11

Produktbeschreibung

Flachdichtung zwischen Abschlussplatte und Profilschnittfläche, bzw. Runddichtung zwischen Anschlussplatten und Profilseitenwand garantieren für eine Dichtigkeit bis zu 6 bar.

  • Nitrilkautschuk schwarz
  • 70 Shore A

Kanya - FLACHDICHTUNG ZU ABSCHLUSSPLATTE 50x100
Maßzeichnung

Produktauswahl

Bestellnummer Bezeichnung A B E
A80-11 FLACHDICHTUNG ZU ABSCHLUSSPLATTE 50x100 50 10 25