Profilés
Grand assortiment de profilés de base, de profilés fermés en aluminium, de profilés légers et lourds ainsi que de profilés spéciaux. Les profilés en aluminium sont compatibles sur toutes les tailles (20, 30, 40, 45, 50) et peuvent également être anodisés et revêtus par poudre dans les couleurs souhaitées. Les différents connecteurs offrent des possibilités de construction illimitées. Un choix de plus de 1'500 accessoires vient compléter cette vaste gamme.
To proceed to download, enter your personal data.
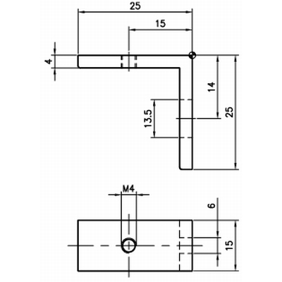
ÉQUERRE DE FIXATION 25x25x15 (B30-64)
Description du produit
L'équerre de fixation sert pour le montage d'appareillages supplémentaires, habillages, dessus de tables, détecteurs, commutateurs électriques et bien plus encore. Son avantage réside dans le fait que la rainure apportée sur un côté permet un ajustement s


Sélection de produit
Référence | Désignation | A | B | C | E | ø | M | D | S | Txt |
---|---|---|---|---|---|---|---|---|---|---|
B30-64 | ÉQUERRE DE FIXATION 25x25x15 | 25 | 25 | 15 | 15 | 4,2 | M4 | 14 | 4 | 13,5x6 |