Extrusion Connecting System
Large range of base extrusion, four-sided extrusion, light and heavy extrusion as well as special extrusion. The aluminium extrusions are compatible across all sizes (20, 30, 40, 45, 50) and can also be anodised and powder-coated in the desired colours. The various connectors offer unlimited construction possibilities. A selection of over 1,500 accessories rounds off the extensive range.
To proceed to download, enter your personal data.
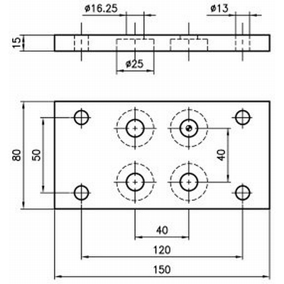
BASE PLATE 150x80 (C47-80)
Description
When structures are subjected to heavy loads, structural stability is extremely important. The solid steel base plate meets this requirement in every respect, guaranteeing a high level of safety.


Product selection
Part Number | Description | A | B | C | D |
---|---|---|---|---|---|
C47-80 | BASE PLATE 150x80 | 150 | 80 | 120 | 50 |