Extrusion Connecting System

Large range of base extrusion, four-sided extrusion, light and heavy extrusion as well as special extrusion. The aluminium extrusions are compatible across all sizes (20, 30, 40, 45, 50) and can also be anodised and powder-coated in the desired colours. The various connectors offer unlimited construction possibilities. A selection of over 1,500 accessories rounds off the extensive range.

To proceed to download, enter your personal data.

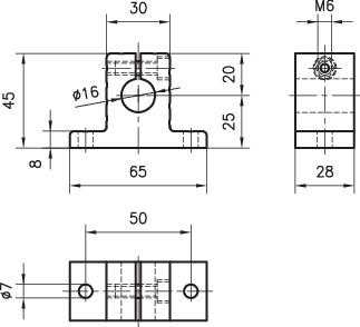
SHAFT CLAMPING BOCK (L16-60)

Reference Number L16-60

Description

A high-precision linear bearing system can be created very easily with the components, i.e. the shaft clamping block, the linear bearing block and the steel shaft. As there are two different shaft clamping blocks, the system can be assembled flexibly. The

Kanya - SHAFT CLAMPING BOCK
Dimensional drawing

Product selection

Part Number Description
L16-60 SHAFT CLAMPING BOCK